《控制電源系列》
MD、MF、MP系列1000W電源模塊

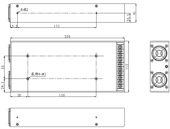
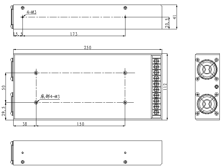
MF、MP系列“600W模塊尺寸-B”

|
型號 |
1000-24 |
1000
-36 |
1000
-48 |
1000
-60 |
1000
-360 |
|
|
直流輸出 特性 |
調(diào)電壓范圍 |
2.0-32V |
2.0-40V |
2.0~56V |
2.0~68V |
2.0~360V |
|
調(diào)電流范圍 |
0~41A |
0~27A |
0~20A |
0~16A |
0~2.7A |
|
|
出廠電壓 |
24±0.2V |
36±0.2V |
48±0.2V |
60±0.2V |
360±0.2V |
|
|
功率 |
1.0kW |
1.0kW |
1.0kW |
1.0kW |
1.0kW |
|
|
效率 |
92% |
92% |
93% |
93% |
94% |
|
|
電壓調(diào)整率 |
0.5% |
0.5% |
0.5% |
0.5% |
0.5% |
|
|
負載調(diào)整率 |
0.5% |
0.1% |
0.1% |
0.1% |
0.1% |
|
|
紋波與噪聲最大 |
80mV |
80mV |
80mV |
80mV |
300mV |
|
|
輸入特性 |
輸入電壓 |
AC220V±20% 、50±5 Hz(AC115V±20%輸入需定制)。 |
||||
|
輸入電流 |
不大于6A,浪涌電流不大于10A。 |
|||||
|
安全性 |
漏電流3mA(240VAC)。 |
|||||
|
絕緣電阻不小于200MΩ(500VDC)。 |
||||||
|
耐壓:輸入對輸出1.5kV;輸入對機殼1.5kV;輸出對機殼0.5kV。 |
||||||
|
其他 |
保護 |
過溫保護(截止);過流保護(恒流);過壓保護(截止) |
||||
|
環(huán)境 |
工作溫度:-40℃~+55℃(10%~95%RH); 貯存溫度:-40℃~+60℃(10%~95%RH)。 |
|||||
|
尺寸、重量 |
MD系列:重量≤1.5kg;結(jié)構(gòu)尺寸226*108*41(長*寬*高,mm)參見 “600W模塊尺寸-A”; MF系列:重量≤1.8kg;結(jié)構(gòu)尺寸226*108*41(長*寬*高,mm)參見“600W模塊尺寸-B”; MP系列:重量≤1.8kg;結(jié)構(gòu)尺寸226*108*41(長*寬*高,mm)參見“600W模塊尺寸-B”; |
|||||
|
MTBF |
200k hrs |
|||||




